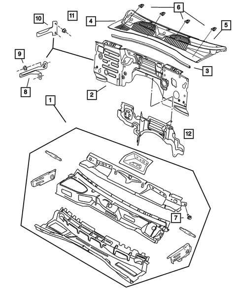
Cowl and Dash Panel for 2002 Jeep Liberty
No.
Part # / Description / Price
Price
6
Push Pin
Mopar
Mopar Description: Ambient Temperature Sensor. Duct Mounting. Shelf Panel. Cowl to Plenum. Attachment, Dash Silencer. Sensor To Fascia. Ambient temp sensor mounting. Ambient temp sensor mtg. Fascia to Rear Liftgate.
7
MSRP $14.25
$10.35
9
Hex Nut-Coned Washer Nut And Washer, Stop Lamp Switch Bracket Mounting
Mopar
Mopar Description: M6x1. Rear Channel Upstop attaching.
MSRP $7.80
$5.51
MSRP $7.80
$5.51
11
Hex Flange Nut
Mopar
Mopar Description: Line at Condenser. Master Cylinder to Booster. Lateral Brace to Power Takeoff Unit. M8x1.25. Tube Attaching. Canister to Crossmember. Belt Guide Mounting. Canister to Bracket. Rhd.
2 This part contains hazardous materials. Extra shipping costs apply.
